FM-204 — установка для демонтажа электронных компонентов от японского производителя Hakko. Компания известна на рынке инновационных решений для пайки с 1954 года. В ассортименте есть инструменты и материалы, вспомогательное оборудование вроде дымоуловителей, термометров и тестеров.

Станция FM-204 предназначена для эффективного прогрева области демонтажа на плате, в том числе для окончательного удаления припоя.
5%скидка
Для читателей нашего блога
скидка 5% на весь
ассортимент
Ваш промокод:BLOGСмотреть все паяльные станции
Особенности
Оборудование функционирует в паре с паяльным пистолетом, насосом вакуумного типа. В любой момент оператор может заменить этот комплект стандартным паяльником. Процедура занимает не более 10–20 секунд.

Если в течение определенного времени установка не используется, автоматика отключает нагревательные элементы до ручного включения. При возникновении ошибок в работе аппарат подает сигналы на цифровом табло и при помощи звуковых сигналов.

Есть еще особенности:
1. Небольшие габариты корпуса позволяют удобно располагать его на столе мастера вместе с другими необходимыми инструментами.
2. Отсутствие воздушного зазора между нагревательным элементом и головкой повышает эффективность тепловой передачи, ускоряет нагрев «с нуля».

3. Контейнер под сбор припоя из оловоотсоса оснащен двойным бумажно-керамическим фильтром, улучшающим сбор расплавленного металла и флюса.
4. Трехразрядный цифровой дисплей отображает текущий режим работы и по необходимости тип ошибки, препятствующей дальнейшему использованию станции.

Производитель интегрировал в прибор цифровую калибровку температуры. Сенсор расположен на кончике жала, поэтому на экран станция выводит точное значение. Оно хорошо заметно даже при тусклом освещении или на ярком солнце благодаря применению светодиодных индикаторов с красным свечением (дополнительная подсветка не требуется).
Регулировка температуры возможна в пределах от 200°C до 450°C.
Внешний вид
На передней панели расположены кнопочный блок управления температурой и изменения других настроек, цифровой индикатор. Разъемы предназначены для подключения паяльного оборудования, оловоотсоса и ключ-карты.

Такой подход к конструкции установки заметно упрощает применение Hakko FM-204 — все необходимые элементы находятся под рукой. Плюс исключен перегиб кабеля и шлангов, мастер использует их длину максимально эффективно (1,2 метра).

Клавишный выключатель расположен на задней панели. Его назначение — обесточивать прибор по окончании смены, в остальное время мастера обычно рассчитывают на функцию Auto Sleep.

Там же установлен разъем под кабель питания, отсек предохранителя. Последний рассчитан на потребление до 1,6 А, при превышении значения он обесточивает систему для предупреждения выхода из строя оборудования. Замена осуществляется без вскрытия корпуса.
Технические характеристики
Разъемы на демонтажной станции предназначены для подсоединения совместимых устройств. Это кабель подключения подставки B3253, прочиститель для нагревательного элемента B2873, трубка-фильтр A1511, подставка под паяльник FH200-05 с картриджем 599B. Поэтому нужно внимательно выбирать элементы, поставляемые отдельно или в случае выхода из строя комплектных узлов после определенного срока эксплуатации.

Основные параметры Hakko FM-204:
| Наименование характеристики | Типовое значение |
| Потребляемая мощность | 120 Вт |
| Температурный диапазон | От 200°C до 450°C |
| Стабильность температуры (холостой режим) | 5°C в обе стороны |
| Температурная точность | 15°C в обе стороны |
| Выходное напряжение | 24 В |

| Наименование характеристики | Типовое значение |
| Габариты | 160х120х255 мм |
| Вес | 3,7 кг |
| Вакуумный насос | Двойной цилиндрический |
| Вакуум | До 80 кПа (600 мм рт. ст.) |
| Всасывающий поток | 15 л/мин |
Станция для демонтажа FM-204 изготовлена из антистатических материалов. Это исключает риски повреждения электронных компонентов статическим электричеством.

Благодаря этой особенности оборудование подходит для работы даже с многослойными платами, где повреждение контактных площадок приводит к критическим поломкам. Такие установки актуальны при ремонте ноутбуков, смартфонов, планшетов и другой подобной электроники.
Комплектация
Паяльную станцию Hakko комплектуют необходимым набором подключаемых устройств, которые обеспечивают минимальный функционал — выпаивание электронных компонентов. В список входит сетевой кабель питания, предохранитель (обычно сразу установлен), инструкция по эксплуатации, где кратко описаны все комплектные девайсы и их назначение.

Типовой комплект:
1. Пистолет демонтажный FM-2024 с разборной конструкцией, без наконечника.
2. Трубчатый фильтр A1612 для демонтажного пистолета, в количестве 2 шт.
3. Ключ-карта B2972 для активации режима изменения настроек.

4. Соединительный кабель B3253 для подключения подставок под паяльник.
5. Подставка под паяльник FH200-05 с очистителей 599B.
6. Ручка B2872 для демонтажного пистолета FM-2024.
7. Чистящее сверло для нагревательного элемента B2873.

Также в поставку входит держатель для смены головок, пара керамических фильтров A1613 плюс два контейнера для сбора припоя. Этого достаточно, чтобы начать работу прямо «из коробки», без докупки дополнительных аксессуаров.

Единственный момент, который нужно учитывать — головка для Hakko FM-2024 не входит в стандартный комплект. Ее приобретают отдельно. То же относится к паяльнику — если он требуется для работы, его нужно купить дополнительно.
Подключаемые инструменты (опционально)
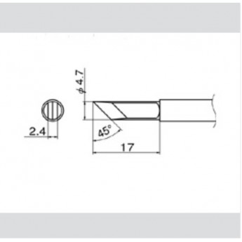
С паяльной станцией совместимо 2 типа паяльников — FM-2027 и FM-2026 с подачей азота. Исходя из выбранного оборудования нужно приобретать жала серии №1 для демонтажного пистолета FM-2024, T12 для паяльника FM-2027, T13 — FM-2026 соответственно.

В зависимости от выполняемых работ используют жала с формой «конус», «игла», «клин», «скос» или «нож». Съемная конструкция позволяет менять их в течение нескольких секунд.

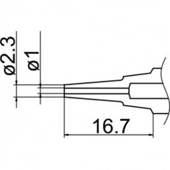
К демонтажному пистолету есть возможность подключить несколько типов сопел. В список входят N1-L10, N1-23, N1-20 или N1-16. Они различаются длиной рабочей части, внутренним диаметром отверстия — 1, 1,6, 2 и 2,3 мм.

Сопла и жала изготавливают с гильзой внутри, чтобы предотвратить обгорание материала. Это увеличивает безремонтный срок эксплуатации с сохранением качества нагрева.
Выводы
Демонтажная станция Hakko FM-204 относится к ценовому диапазону «выше среднего». Это вполне оправдано — у устройства высокая точность благодаря цифровой регулировке, быстрый нагрев, простая замена жал-сопел, компактные размеры. Все благоволит удобству эксплуатации.

Производитель выпускает ассортимент аксессуаров, которые совместимы с установкой, необходимый для успешной работы мастера по ремонту цифровой электроники.
